CCM4201S-L安全芯片采用独立的Cortex-M4F内核进行设计,具有低功耗、高性能、多功能及高安全性等特点,可广泛应用于指纹识别、微型打印机等领域。工作频率200MHz。

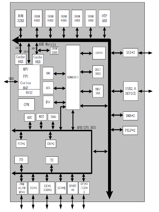
CCM4201S-L芯片框图
封装形式
| 引脚 | 封装类型及引脚分配(单位:mm) | |
QFN32_B | QFN64_A | |
SPI(复用) | 2 | 2 |
I2C(复用) | 1 | 2 |
SSI(复用) | 1(普通模式) | 2 |
SCI(复用) | 5 | 6 |
ISO7816(复用) | 2 | 2 |
USB | 1(USB2.0全速) | 1(USB2.0全速) |
PWM(复用) | 8ch | 8ch |
PWMT(复用) | 3 | 3 |
CAN(复用) | 2 | 2 |
EPORT(复用) | 23 | 51 |
ADC(复用) | 1ch | 8ch |
I2S(复用) | 1 | 2 |
● 32位高性能核Cortex-M4F
● 工作频率200MHz
● 处理性能强劲,配合快速中断响应
● 增强的系统调试功能,扩展的断点和追踪能力
● 有效率的处理器核心,系统和存储器
● 内置的睡眠模式实现极低功耗
● 内置的存储保护单元(MPU)实现平台安全鲁棒性
● 兼容IEEE754的单精度FPU
● 224KB SRAM+32KB TCM SRAM
● 4KB OTP
● QFN32合封2MB FLASH
● QFN64合封2MB FLASH、2MB PSRAM
● DMA/EDMA
● 定时器(PIT32bit)
● 看门狗(WDT)
● 计时器(TC)
● 实时时钟(RTC)
● 公钥算法引擎
- RSA1024
密钥对生成:166mS/次
解密/签名:2.7mS/次
加密/验签:0.26mS/次
- RSA2048
密钥对生成:1.2S/次
解密/签名:17.2mS/次
加密/验签:0.57mS/次
- SM2
密钥对生成:2.1mS/次
签名:2.1mS/次
验证:4.1mS/次
● 对称算法引擎
- DES/3DES支持ECB/CBC/CFB/OFB/CTR模式
DES加、解密速度:63.36MB/s
- AES支持ECB/CBC/CFB/OFB/CTR模式
AES_128加、解密速度:51.7MB/s
AES_192加、解密速度:40.5MB/s
- SM4支持ECB/CBC/CFB/OFB/CTR模式
加、解密速度:39.1MB/s
● 摘要算法引擎
- SM3
64.9MB/S
- SHA-0/ SHA-1/ SHA-224/ SHA-256/ SHA-384/ SHA-512
SHA-0:63.42MB/s
SHA-1:63.43MB/s
SHA-224:59.91MB/s
SHA-256:59.87MB/s
● CRC
- 支持8位/16位/32位crc操作
- 支持DMAC交互
- 支持EDMAC交互
- 支持SPI交互
● 真随机数发生器,符合FIPS 140-2标准和国家商密标准
● 安全检测与防护单元
- 电压异常检测单元
- 光照异常检测单元
- 电源毛刺检测单元
- 支持金属屏蔽保护
- 温度异常检测单元
- 频率异常检测单元
- 支持时钟和复位脉冲过滤
- 安全优化布线
● 每一颗产品具有唯一序列号
● 电源电压2.97V~3.63V
● 功耗
- 典型功耗:40mA@100MHz
- 低功耗模式:100uA
- 休眠模式:1uA
● ESD(HBM):4KV
● 支持内部上电复位和外部复位
● 工作温度:-40℃~85℃

● 指纹?

● 完整的开发环境
● 丰富的驱动库
● 完善的应用解决方案
相关产品推荐阅读